www.activeradiator.com
Call today to Order
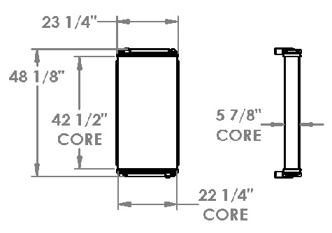
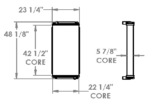
451531 - Hyundai HL960 Radiator

Special Notes
Similar to 45-1321AT, please verify core height before ordering.
					Options / Pricing / Availability
					To see availability click on the variation part number
				
| New Accounts | 800-779-4223 | 
| Atlanta, GA | 404-472-0790 | 
| Charlotte, NC | 215-289-9480 | 
| Chicago, IL | 815-725-1470 | 
| Cincinnati, OH | 866-540-9638 | 
| Dallas, TX | 214-462-7855 | 
| Houston, TX | 713-670-0220 | 
| Los Angeles, CA | 562-921-0748 | 
| Philadelphia, PA | 215-289-9480 | 
| Phoenix, AZ | 602-338-9343 | 
| Tampa, FL | 863-606-5999 | 
Core Dimensions
Height:
42.5"
				Width:
22.25"
				Depth:
5.875"
				Overall Height:
48.25"
			Description
Product Type:
Radiator
Filler Neck:
None
Oil Cooler:
None
OE Numbers
						451531
451531AT
11WD30212
			451531AT
11WD30212