www.activeradiator.com
Call today to Order
451510 - John Deere 710D Radiator

Special Notes
Must verify position of lower hose connection before ordering.
					Options / Pricing / Availability
					To see availability click on the variation part number
				
| New Accounts | 800-779-4223 | 
| Atlanta, GA | 404-472-0790 | 
| Charlotte, NC | 215-289-9480 | 
| Chicago, IL | 815-725-1470 | 
| Cincinnati, OH | 866-540-9638 | 
| Dallas, TX | 214-462-7855 | 
| Houston, TX | 713-670-0220 | 
| Los Angeles, CA | 562-921-0748 | 
| Philadelphia, PA | 215-289-9480 | 
| Phoenix, AZ | 602-338-9343 | 
| Tampa, FL | 863-606-5999 | 
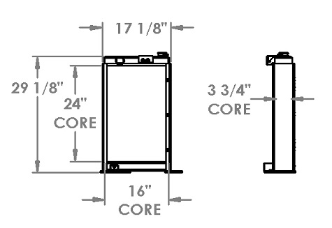
Core Dimensions
Height:
24"
				Width:
15.9375"
				Depth:
3.6875"
				Overall Height:
29.0625"
			Description
Product Type:
Radiator
Filler Neck:
Right
Inlet:
2" (Left)
Outlet:
2" (Left)
Oil Cooler:
None
OE Numbers
						451510
451510AT
AT164324
AT174939
1A16611
			451510AT
AT164324
AT174939
1A16611
Product Information
Fits John Deere 710D models with a serial number ending in 830204 and below.