www.activeradiator.com
Call today to Order
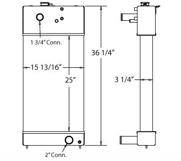
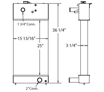
310084 - New Flyer Trackless Trolley Radiator Assembly

Special Notes
SEPTA UNITS 800-838
					Options / Pricing / Availability
					To see availability click on the variation part number
				
| New Accounts | 800-779-4223 | 
| Atlanta, GA | 404-472-0790 | 
| Charlotte, NC | 215-289-9480 | 
| Chicago, IL | 815-725-1470 | 
| Cincinnati, OH | 866-540-9638 | 
| Dallas, TX | 214-462-7855 | 
| Houston, TX | 713-670-0220 | 
| Los Angeles, CA | 562-921-0748 | 
| Philadelphia, PA | 215-289-9480 | 
| Phoenix, AZ | 602-338-9343 | 
| Tampa, FL | 863-606-5999 | 
Core Dimensions
Height:
25.25"
				Width:
15.8125"
				Depth:
3.25"
				Overall Height:
36.25"
			Description
Product Type:
Radiator
Orientation:
Downflow
Filler Neck:
Left Center
Inlet:
1.75" (Top Left)
Outlet:
2" (Lower Right)
OE Numbers
						310084
M7786001
8200931
 					
			M7786001
8200931