www.activeradiator.com
Call today to Order
290330 - Gehl R190 Combo Unit

Special Notes
Very similar to 29-0254, please verify side panels before ordering.
					Options / Pricing / Availability
					To see availability click on the variation part number
				
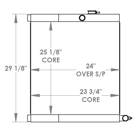
Core Dimensions
Height:
25.125"
				Width:
23.8125"
				Depth:
3.5"
				Overall Height:
29.125"
			Description
Product Type:
Combo Unit
Filler Neck:
Right
Inlet:
1.5" (Water Side)
Outlet:
1 1/16-12 ORB " (Oil Side)
OE Numbers
						290330
290330P
50350867
366007420
366007420UP
386007420
386007420UP
			290330P
50350867
366007420
366007420UP
386007420
386007420UP