www.activeradiator.com
Call today to Order
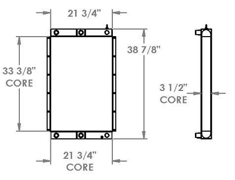
290275 - Tamrock Commando DC120 Rock Drill Combo Unit

Special Notes
					Options / Pricing / Availability
					To see availability click on the variation part number
				
| New Accounts | 800-779-4223 | 
| Atlanta, GA | 404-472-0790 | 
| Charlotte, NC | 215-289-9480 | 
| Chicago, IL | 815-725-1470 | 
| Cincinnati, OH | 866-540-9638 | 
| Dallas, TX | 214-462-7855 | 
| Houston, TX | 713-670-0220 | 
| Los Angeles, CA | 562-921-0748 | 
| Philadelphia, PA | 215-289-9480 | 
| Phoenix, AZ | 602-338-9343 | 
| Tampa, FL | 863-606-5999 | 
Core Dimensions
Height:
33.375"
				Width:
21.75"
				Depth:
3.5"
				Overall Height:
-
			Description
Product Type:
Combo Unit
Filler Neck:
None
Inlet:
1.375" (Water Side)
OE Numbers
						290275
290275P
			290275P