www.activeradiator.com
Call today to Order
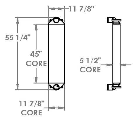
280449 - Caterpillar 349 Excavator Charge Air Cooler

Special Notes
Pairs with 45-0997
Options / Pricing / Availability
To see availability click on the variation part number
Core Dimensions
Height:
45"
Width:
11.9375"
Depth:
5.5"
Overall Height:
55.25"
Description
Product Type:
Charge Air Cooler
Filler Neck:
None
OE Numbers
280449
280449N
3354188
3E12863
3354189
280449N
3354188
3E12863
3354189