www.activeradiator.com
Call today to Order
271421 - Caterpillar 900H Series Wheel Loader Hydraulic Oil Cooler

Special Notes
OEM mounting bracket, opposite side of the connections, must be re-used.
Options / Pricing / Availability
To see availability click on the variation part number
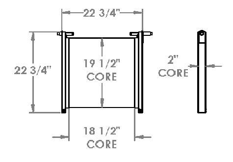
Core Dimensions
Height:
18.5"
Width:
19.5625"
Depth:
1.9375"
Overall Height:
22.5"
Description
Product Type:
Oil Cooler
Filler Neck:
None
OE Numbers
271421
3004478
2745160
3004478
2745160