www.activeradiator.com
Call today to Order
271404 - John Deere 270 Hydraulic Oil Cooler

Special Notes
Very similar to 27-1402, must verify core dimensions and fitting size before ordering.
					Options / Pricing / Availability
					To see availability click on the variation part number
				
| New Accounts | 800-779-4223 | 
| Atlanta, GA | 404-472-0790 | 
| Charlotte, NC | 215-289-9480 | 
| Chicago, IL | 815-725-1470 | 
| Cincinnati, OH | 866-540-9638 | 
| Dallas, TX | 214-462-7855 | 
| Houston, TX | 713-670-0220 | 
| Los Angeles, CA | 562-921-0748 | 
| Philadelphia, PA | 215-289-9480 | 
| Phoenix, AZ | 602-338-9343 | 
| Tampa, FL | 863-606-5999 | 
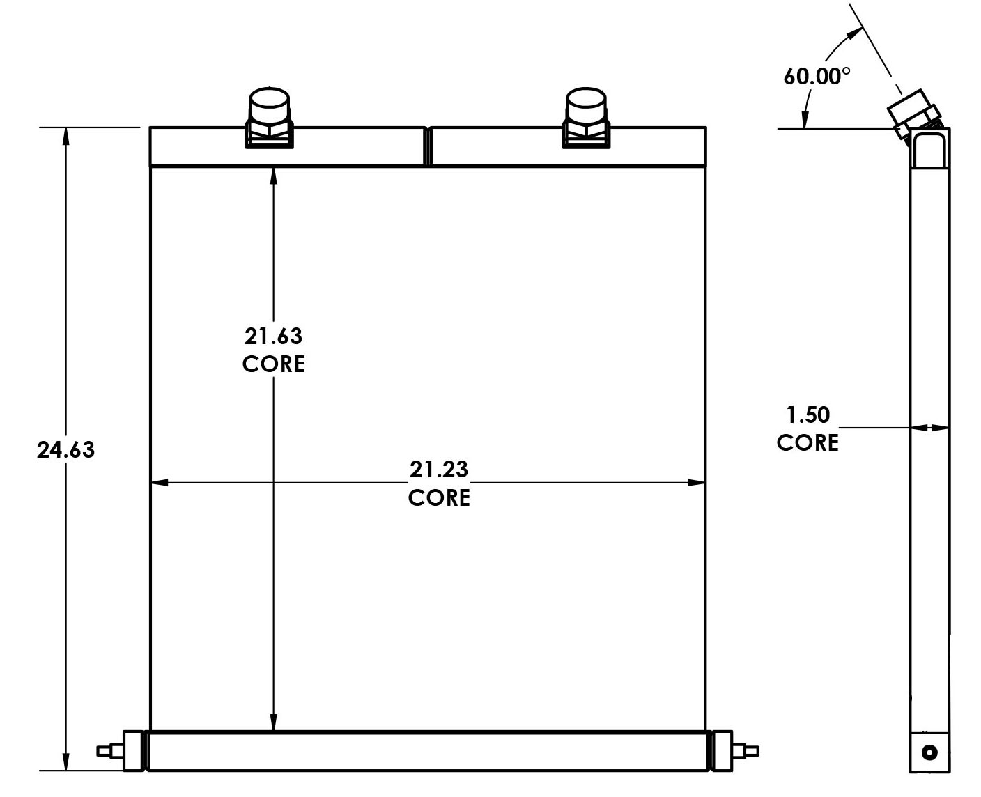
Core Dimensions
Height:
21.625"
				Width:
21.25"
				Depth:
1.5"
				Overall Height:
24.625"
			Description
Product Type:
Oil Cooler
Filler Neck:
None
OE Numbers
						271404
KV19396
			KV19396