www.activeradiator.com
Call today to Order
271386 - Daewoo / Doosan Hydraulic Oil Cooler

Special Notes
Very similar to 27-0870, must be verify rear fitting before ordering.
Options / Pricing / Availability
To see availability click on the variation part number
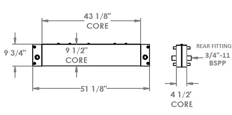
Core Dimensions
Height:
43.125"
Width:
9.4375"
Depth:
4.5"
Overall Height:
51.125"
Description
Product Type:
Oil Cooler
Filler Neck:
None
OE Numbers
271386
K1002888B
K1002888C
K1002888B
K1002888C