www.activeradiator.com
Call today to Order
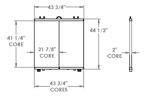
271370 - Caterpillar 988B Hydraulic Oil Cooler

Special Notes
Options / Pricing / Availability
To see availability click on the variation part number
Core Dimensions
Height:
41.25"
Width:
43.6875"
Depth:
1.9375"
Overall Height:
44.5"
Description
Product Type:
Oil Cooler
Filler Neck:
None
OE Numbers
271370
1W0284
5928482
1W0284
5928482