www.activeradiator.com
Call today to Order
271369 - Freightliner Chassis Bus Transmission Oil Cooler

Special Notes
Options / Pricing / Availability
To see availability click on the variation part number
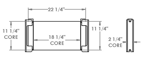
Core Dimensions
Height:
18.25"
Width:
11.25"
Depth:
2.25"
Overall Height:
22.25"
Description
Product Type:
Oil Cooler
Filler Neck:
None
OE Numbers
271369