www.activeradiator.com
Call today to Order
271359 - Bobcat Skidsteer Oil cooer

Special Notes
Very similar to 27-1136 must verify OEM part number before ordering.
Options / Pricing / Availability
To see availability click on the variation part number
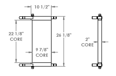
Core Dimensions
Height:
22.125"
Width:
9.9375"
Depth:
1.9375"
Overall Height:
26"
Description
Product Type:
Oil Cooler
Filler Neck:
None
OE Numbers
271359
6728157
6728157