www.activeradiator.com
Call today to Order
271353 - Daewoo / Doosan Hydraulic Oil Cooler

Special Notes
Options / Pricing / Availability
To see availability click on the variation part number
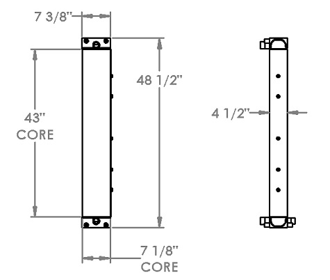
Core Dimensions
Height:
43"
Width:
7.25"
Depth:
4.5"
Overall Height:
48.5"
Description
Product Type:
Oil Cooler
Filler Neck:
None
OE Numbers
271353
21801030
21801030