www.activeradiator.com
Call today to Order
271349 - Ingersoll Rand / Doosan Compressor Oil Cooler

Special Notes
Pairs with 45-0921AT
Options / Pricing / Availability
To see availability click on the variation part number
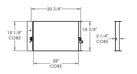
Core Dimensions
Height:
28"
Width:
18.125"
Depth:
2.25"
Overall Height:
30.75"
Description
Product Type:
Oil Cooler
Filler Neck:
None
OE Numbers
271349
54666326
36887669
54666326
36887669