www.activeradiator.com
Call today to Order
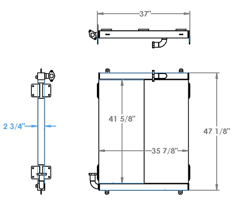
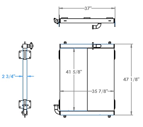
271338 - Link Belt 348 Crane Oil Cooler

Special Notes
Options / Pricing / Availability
To see availability click on the variation part number
Core Dimensions
Height:
41.5625"
Width:
35.875"
Depth:
2.75"
Overall Height:
47.0625"
Description
Product Type:
Oil Cooler
Filler Neck:
None
OE Numbers
271338
LBCPH0431
CPH0431
LBCPH0431
CPH0431