www.activeradiator.com
Call today to Order
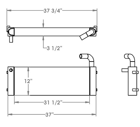
271329 - John Deere / Hitachi Oil Cooler

Special Notes
Options / Pricing / Availability
To see availability click on the variation part number
Core Dimensions
Height:
31.5"
Width:
11.9375"
Depth:
3.5"
Overall Height:
37"
Description
Product Type:
Oil Cooler
Filler Neck:
None
OE Numbers
271329
FYA00013233
FYA00013233