www.activeradiator.com
Call today to Order
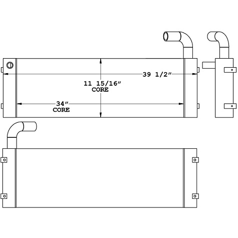
271046 - Hitachi Zaxis135 Hydraulic Oil Cooler

Special Notes
Options / Pricing / Availability
To see availability click on the variation part number
Core Dimensions
Height:
34"
Width:
12"
Depth:
3.5"
Overall Height:
39.5"
Description
Product Type:
Oil Cooler
Filler Neck:
None
OE Numbers
271046
Y238440000
4682428
BT5201
Y238440000
4682428
BT5201