www.activeradiator.com
Call today to Order
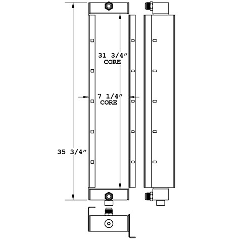
271039 - Galion T500 Grader Oil Cooler

Special Notes
Options / Pricing / Availability
To see availability click on the variation part number
Core Dimensions
Height:
31.75"
Width:
7.25"
Depth:
2.75"
Overall Height:
35.75"
Description
Product Type:
Oil Cooler
Filler Neck:
None
OE Numbers
271039