www.activeradiator.com
Call today to Order
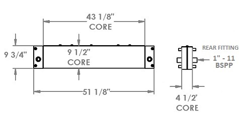
270870 - Terex Oil Cooler

Special Notes
Very similar to 27-1386, must be verify rear fitting before ordering.
Options / Pricing / Availability
To see availability click on the variation part number
Core Dimensions
Height:
43.125"
Width:
9.4375"
Depth:
4.5"
Overall Height:
51.125"
Description
Product Type:
Oil Cooler
OE Numbers
270870