www.activeradiator.com
Call today to Order
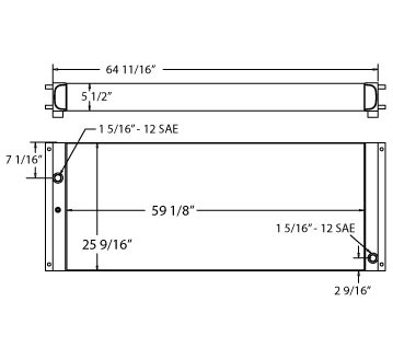
270019 - Ingersoll Rand DM30 Drill Oil Cooler

Special Notes
Options / Pricing / Availability
To see availability click on the variation part number
Core Dimensions
Height:
59.125"
Width:
25.5625"
Depth:
5.5"
Overall Height:
-
Description
Product Type:
Oil Cooler
Filler Neck:
None
OE Numbers
270019
BT5077
DM306051
BT5077
DM306051